在线留言

服务类型*

工信部发文,医药迎重大利好!

2024-09-18 来源:明鉴检测

9月14日,工信部发布加快布局建设制造业中试平台的通知,加快布局建设一批 制造业高质量发展急需的中试验证平台。

 

在《制造业中试平台建设指引(2024版)》文件中提到, 在质量安全要求高的医药等领域,加快建设智能化绿色化中试放大平台,积极发展合同研发外包(CRO)、合同研发生产外包(CDMO)等模式,提升龙头企业中试平台公共服务效能,降低初创企业门槛。 

 

 

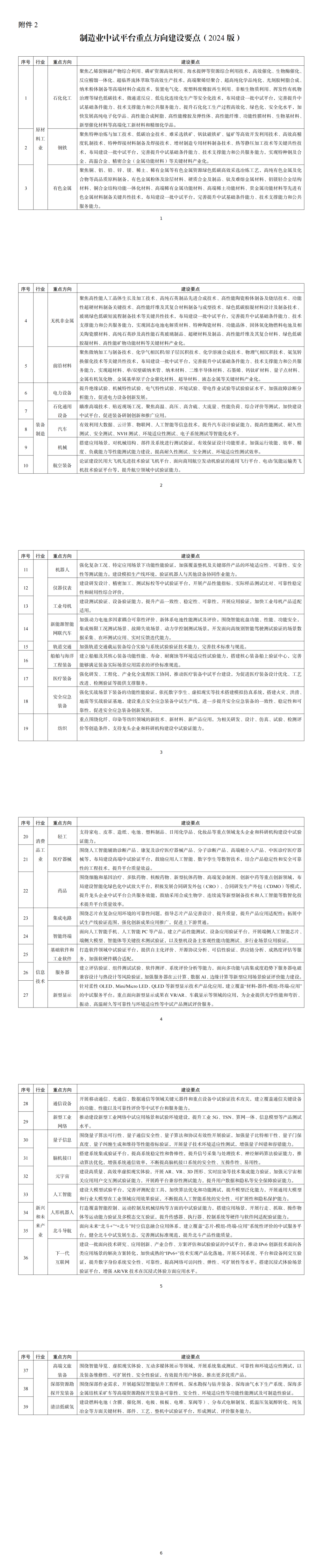
在《制造业中试平台重点方向建设要点(2024版)》文件, 药品、医疗器械的建设要点:

 

药品:围绕细胞和基因治疗、多肽药物、核酸药物、新型抗体药物、高端复杂制剂、创新中药等重点创新领域,布局建设智能化绿色化中试放大平台, 积极发展合同研发外包(CRO)、合同研发生产外包(CDMO)等模式,提升龙头企业中试平台公共服务效能, 鼓励采用合成生物学、连续流等新型制备技术和人工智能等数智化技术提升平台质量效率。

 

医疗器械 围绕人工智能辅助诊断产品、康复及诊疗医疗器械产品、分子诊断产品、高端植介入产品、中医诊疗医疗器械等,布局建设高端中试验证平台,鼓励应用人工智能、数字孪生等数智技术,结合产品稳定性和安全可靠性的工程技术,提升平台质量效益。

 

各省、自治区、直辖市及计划单列市、新疆生产建设兵团工业和信息化主管部门:

 

为深入贯彻党中央、国务院决策部署,落实《制造业中试创新发展实施意见》(工信部联科〔2024〕11号),加快布局建设一批制造业高质量发展急需的中试验证平台(以下简称中试平台),提高科技成果转化和产业化水平,现将有关工作通知如下:

 

一、总体要求

 

以习近平新时代中国特色社会主义思想为指导,深入贯彻党的二十大和二十届二中、三中全会精神,聚焦推进新型工业化的核心任务,坚持需求导向、场景牵引、系统布局、因地制宜,统筹推进中试平台建设,有效发挥市场主导作用和政府引导作用。通过汇聚创新资源,完善转化机制,发挥溢出效应,贯通概念验证、实验室研发、中试验证、产业化应用全链条,形成综合性、专业化的中试服务体系,切实提高科技成果转化和产业化水平,加强科技创新和产业创新深度融合,加快发展新质生产力。

 

 

二、建设目标

 

围绕国家战略与产业发展急需的关键领域,引导有条件的建设主体因地制宜采取相应的建设模式、发展策略和举措,“一类一策”推进中试平台建设。计划到2027年,在有条件的地方培育建设一批省部级制造业中试平台,遴选认定若干个辐射范围大、转化能力强、发展机制好、具有国际先进水平的国家制造业中试平台,推动传统产业、新兴产业、未来产业技术成果工程化突破和产业化应用,切实提高创新成果技术价值和质量水平,加快解决成果转化落地难题,显著提升制造业创新能力和产业链现代化水平。

 

三、相关工作安排

 

(一)地方工业和信息化主管部门根据制造业中试平台建设指引(附件1)、重点行业方向建设要点(附件2),结合地方特色优势提出中试平台建设布局,突出公共服务性质和功能,明确建设模式、建设路径,制定和完善中试平台培育等有关程序,健全有进有出的培育储备和动态调整机制,推动中试平台建设。

 

(二)地方工业和信息化主管部门于2024年10月15日前将省级或重点培育中试平台名录及储备建设情况(附件3)电子版及盖章扫描件通过电子邮件发送至工业和信息化部(科技司)。工业和信息化部对符合条件的中试平台纳入制造业中试平台培育库,优先支持公共属性突出的中试平台,实施分类管理、综合施策、动态调整。

 

(三)工业和信息化部依据制造业中试平台建设指引,健全中试平台评价体系,遴选重点中试平台并组织行业内专家、有关行业协会等开展运行绩效评估或现场核查,着重评估中试平台目标定位、基础能力、技术优势、服务成效和运行机制,考察平台的建设基础、场地、设备、设施和相关配套条件,以及技术、服务、运营团队等情况。以评促建,引导有条件的中试平台向具有国际先进水平的中试平台升级。

 

(四)工业和信息化部按照“成熟一个、启动一个”、“一平台一方案”的原则,推动平台建设升级。对拟升级的省级制造业中试平台,由平台建设运营单位所在地的省级工业和信息化主管部门推荐,工业和信息化部组织进行评估论证,择优认定为国家制造业中试平台,打造多层次系统化的中试平台体系。

 

电子邮箱:zhiliang@miit.gov.cn

附件:

       1.制造业中试平台建设指引(2024版)  

     2.制造业中试平台重点方向建设要点(2024版)

  3.2024年重点中试平台推荐汇总表

 

工业和信息化部办公厅

2024年9月10日

 

制造业中试平台建设指引(2024版)

 

 

 

制造业中试平台重点方向建设要点(2024版)

声明:本文著作权属原创者所有,不代表本微信公众号立场。如涉著作权事宜请联系删除。

 

1

END

1

 

明   鉴  检  测